In the field of pharmaceutical manufacturing, the preparation of various medications often involves blending different powdered ingredients to achieve the desired therapeutic composition. To accomplish this essential process efficiently, pharmaceutical industries rely on advanced equipment like the Pharmacy Powder Double Cone Blender. Yinda Machinrey focus on Enhancing Pharmaceutical Mixing Efficiency and Homogeneity, shedding light on its significance in the pharmaceutical sector.
- Machine Configuration
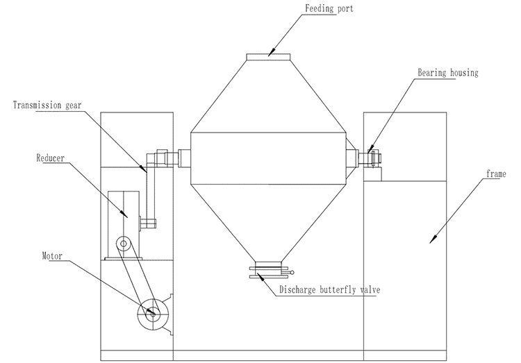
The YINDA YDW series Pharmacy Powder Double Cone Blender is a specialized blending machine designed to mix dry powders and granules in the pharmaceutical industry. It comprises a conical-shaped vessel, the frame, the electric control panel. The whole machine typically made of stainless steel, the conical-shaped vessel rotates on its axis. The vessel is mounted on sturdy supports, and its cone shape facilitates thorough mixing and prevents material segregation during blending.
At each end of the cone, there are openings with tight-fitting caps that serve as the loading and discharge points. Additionally, the blender is equipped with a motor that drives the rotation of the vessel, ensuring a consistent and controlled blending process.
YINDA YDW series pharmacy powder double cone blender
Â
- Working Principle
The working principle of the YINDA YDW series Pharmacy Powder Double Cone Blender is relatively straightforward yet highly effective. After loading the powdered materials into the blending vessel, the caps are securely closed, and the motor is activated. As a result, the vessel rotates on its axis, causing the powders to move in a conical path. As the blending progresses, the powders flow from one end of the cone to the other, ensuring a thorough mixing action.
The unique design of the double cone blender promotes the movement of materials in both radial and axial directions, leading to enhanced intermingling of particles. This multi-dimensional blending action results in a homogeneous mixture, crucial for pharmaceutical products’ uniformity and effectiveness.
- Features
Â
The YINDA YDW series Pharmacy Powder Double Cone Blender offers several features that make it an indispensable tool in pharmaceutical manufacturing:
Uniform Blending: The YINDA YDW series pharmacy powder double cone blender’s design guarantees a consistent blend of ingredients, ensuring that all parts of the mixture are uniformly distributed.
Gentle Blending Action: This type of blender operates gently, minimizing the risk of ingredient degradation, especially for sensitive pharmaceutical substances.
Easy Loading and Discharge: The conical vessel’s end caps allow convenient loading and discharge of materials, streamlining the overall blending process.
Hygienic Design: Constructed from stainless steel 304, the blender is easy to clean and maintain, and has no dead angle to avoid residuals, complying with pharmaceutical industry hygiene standards. If the mixture has corrosive, the stainless steel 316L is recommended.
Versatility: Apart from pharmaceuticals, the double cone blender finds applications in various industries, including food, chemical, and cosmetic sectors.
Optional device:
- the forced agitator: improving the mixing effective for the bad fluidity powder.
- protective device: apart from the protective device on the vessel, the additional guardrail is recommended
- the explosion-proof configuration.
Parameter:
According to different capacity’s needs, we supply several machine types for options.
- Applications
The YINDA YDW series Pharmacy Powder Double Cone Blender serves a wide range of applications within the pharmaceutical industry, such as:
Drug Formulation: It plays a crucial role in blending active pharmaceutical ingredients (APIs) with excipients to create tablets, capsules, or other dosage forms.
Granulation Mixing: For granule preparation, the double cone blender ensures uniform distribution of different components, optimizing granule properties.
Homogenization: When pharmaceutical products require a homogeneous mixture of multiple powders, this blender effectively achieves the desired consistency.
Reconstitution: In the case of powdered medications that need to be reconstituted before administration, the double cone blender ensures that the reconstituted mixture is uniform.
Quality Control: The double cone blender is valuable for sample preparation, helping pharmaceutical companies maintain quality control standards by ensuring accurate representation of the bulk mixture.
Research and Development: In R&D settings, the pharmacy powder double cone blender aids in testing formulations, making adjustments, and developing new pharmaceutical products.
The YINDA YDW series Pharmacy Powder Double Cone Blender has become an essential asset in the pharmaceutical manufacturing process, providing an efficient and reliable method for blending dry powders and granules. Its unique design, working principle, and features contribute to producing homogeneous mixtures critical for pharmaceutical efficacy and safety. With its applications ranging from drug formulation to quality control, the YINDA YDW series pharmacy powder double cone blender continues to play a vital role in advancing the pharmaceutical industry and ensuring the delivery of safe and effective medications to patients.
If you are interested in YINDA YDW series pharmacy powder double cone blender, and confused to choose the suitable machine type, welcome to contact with us via the following contact way:
Tel(WhatsApp): +86 13914192807
Other Products We Can Help You With powder handling systems:
YINDA YDCS series coarse crusher
https://yindamachinery.com/coarse-crusher/
Â
YINDA YDWS series pin mill grinder
https://yindamachinery.com/pin-mill/
YINDA YDGS series hammer mill
https://yindamachinery.com/hammer-mill-grinder/
YINDA YDWF series ACM MILL
Air Classifier Mill
YINDA YDV series V cone mixer
https://yindamachinery.com/v-mixer/
YINDA YDSW series 3D mixer
https://yindamachinery.com/3d-mixer/
Â
YINDA YDLH series Ribbon Blender
https://yindamachinery.com/ribbon-blender-3/
Â
Welcome to browse our website to fine your desired products.
Yinda Machinery is always here to help you make the most suitable solution to achieve the most effective powder results.
Â











