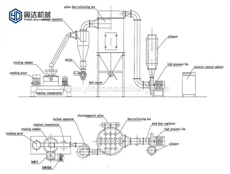
Yinda superfine chemical powdering plant is made up of three parts: main machine, auxiliary machine, and electric control box.
The fine size can reach at 200-500 mesh.
- Price Term: FOB/CIF/EXW
- Package: Wooden case or according to customer request
- Delivery Time: 25-35 working days
- Transports: LCL
- Shipment Port: Shanghai Port
- Warranty: 12 moths
- Introduction
- Specifications
The raw material is delivered to the grinding chamber via hopper by the spiral feeder and is cut and sheared by the high-speed cutters, then the material is moved into the cyclone separator and pulse dust catcher by the negative pressure sucking method. the discharge material meets the product request fineness, by adjusting the classifying wheel speed to get different fineness products, the oversized powder is continued to grinding.
Designed according to GMP standard and wholly made of stainless steel, equipped with a cyclone separator and pulse collector, so there is no powder flying during production.
The dust collecting bag can effectively collect the fine powder in the air current so as to meet the requirements for cleanness and environmental protection in waste gas discharge, also can improve the utilization rate of material and reduce the cost of the enterprise, thus reaching the international advanced level.
| Model | YDWF-15 | YDWF-30 | YDWF-40 | YDWF-60 | YDWF-80 |
| Production capacity(kg/hr) | 30-150 | 50-600 | 80-600 | 100-1000 | 200-1500 |
| Speed of principle axis(r/min) | 5800 | 3600 | 3200 | 2900 | 2300 |
| Feeding size(mm) | 5-15 | 5-15 | 5-15 | 5-15 | 5-15 |
| Crushing fineness(mesh) | 80-320 | 80-320 | 80-320 | 80-320 | 80-320 |
| Crushing motor | 7.5kw | 18.5kw | 30kw | 45kw | 55kw |
| Blower | 5.5kw | 18.5kw | 22kw | 22kw | 30kw |
| Classifier impeller motor | 1.5kw | 4kw | 5.5kw | 5.5kw | 7.5kw |
| Feeding motor | 0.55kw | 0.75kw | 0.75kw | 0.75kw | 0.75kw |
| Discharge motor | 0.75kw | 0.75kw | 0.75kw | 1.1kw | 1.5kw |
| Overall dimension(mm) | 4500×1600×2600 | 6200×1900×3300 | 6500×2100×3300 | 7500×2300×3900 | 8000×2600×4300 |
Super Fine Chemical Powdering Plant For Your Powder Handling Task:
1-Benefits of Super Fine Chemical Powdering Plant:
● The main grinding parts are made of high-grade alloy tool steel so that the service life or change cycle of the wear parts is greatly lengthened.
● High-speed precision bearings imported from abroad are adopted for the bearing system so that the whole machine runs smoothly with little vibration and noise.
● The pipes are of quick-detachment construction, making detachment and cleaning quick and convenient.
● Yinda superfine chemical powdering plant no need a sieve or screen mesh in crush chamber when working, changing powder size by changing speed by inverter.
●Equipped with a cyclone separator and a collector, so there is no powder flying during production. The dust collection bag can effectively collect the fine powder in the air current so as to meet the requirements for cleanness and environment protection in a waste gas discharge.
●The fine powder collected by the dust collecting bag can be effectively recycled, thus the material losses are reduced.
2-Detailed images for Superfine chemical powdering plant:
2-1. Rotary Airlock For Discharging:
●Cyclone can separate dust from powder(granules).
●The rotary valve makes powder discharge speed even.
●The rotary valve is also made of stainless steel and based on the GMP standard.
●Quick-detachable Construction to Make quick and convenient for clean and installation.
2-2.Pulse dust collector box:
●Dust is collected inside the dust collecting box.
●Inside the box, there are many dust collecting bags, the number of dust boxes is precisely calculated according to the filter area. and the bag frames are also made of stainless steel and can be disassembled easily.
●With pulse-jet cleaning, dust can be filtered and collected very conveniently.
2.3 Control panel
Sequential start and stop of Super Fine Chemical Powdering Plant.
Let Yinda together with you to develop optimal Super Fine Chemical Powdering Plant solution.









